Высокоточная, низкая пульсация, двухступенчатая серия-регулируемая плата питания, линейная плата питания, двусторонняя плата, двухслойная плата, длина 96, ширина 62 мм. Код платы: LG303G.
Отфильтрованы японскими химическими конденсаторами 2700UF35V и American Meiji 13 470UF35V gold электролитическими конденсаторами общей емкостью 8810 мкФ. 12H50m резьбовой большой индуктивности, плюс Железный медный экран. Импортный Трехконтактный стабилизированный напряжение 7824 и LM317 регулируемый стабилизированный блок питания серии super. Регулируемая готовая плата. Двойная группа переменного тока (четыре линии), вход 24 В, регулируемый выход ± 1,2 В-± 26 В постоянного тока, двухступенчатая Стабилизация напряжения, схема супер стабилизации напряжения, Линейный источник питания. Он специально разработан для обеспечения высококачественного поддерживающего регулируемого источника питания для предварительных усилителей Hi-Fi и операционных усилителей повышенной температуры. Не подходит для регуляторов низкого тока для предварительных этапов, усилителей наушников, цифровых схем, усилителей напряжения и двигателей «сделай сам».
Двойная группа переменного тока (четыре линии) вход 24 В, напряжение около ± 33 в постоянного тока после бортового двухмостового исправления и фильтрации, 78 трехконтактных регулируемых выходов 29 в постоянного тока, И затем через второй этап LM317, состоящий из точной регулируемой цепи стабилизации напряжения от ± 1,2 в до ± 26 в регулируемого выхода, Точность положительного и отрицательного напряжения можно контролировать в пределах нескольких десятых вольт. Двухступенчатый регулируемый источник питания имеет очень небольшую рябь, очень чистый и выдающийся эффект.
Схематическая схема части исправления следующая:
Схематическая схема регулируемого регулятора вторичного напряжения следующая:
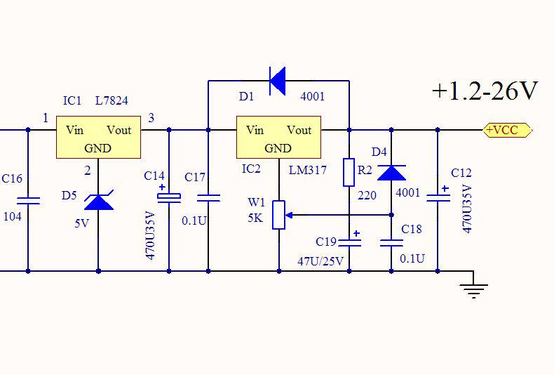
Полная схема представлена ниже:
Печатная плата имеет разумный дизайн, простую сборку и отладку.
Верхняя и нижняя двухслойные готовые платы образуют двойное напряжение, а верхняя и нижняя двухслойные готовые платы имеют выход с регулировкой ± 1,2 В-± 26 В постоянного тока.







Дроссельный щит доступен в серебряном и зеленом цветах и отправляется случайным образом.
***********************************
Подтверждение: компоненты на готовой плате отличаются из-за разных партий сборки. Типы, бренды, модели, характеристики и параметры некоторых компонентов будут немного отличаться. Компоненты и параметры, собранные на полученной плате, имеют преимущественную силу! Некоторые компоненты печатной платы представляют собой бывшие в употреблении изделия, а готовые платы проверяются и продаются в обычном режиме.
************************************************** ***********
Он сочетается с силовым трансформатором 220 В типа C, импортным железным сердечником типа C 22 в + 22 в обмотан оригинальным фиксирующим кольцом, плотным способом обмотки связи, хорошим звуковым трансформатором, оригинальное фиксирующее сиденье-кольцо.
В трансформаторе используется импортная машина для удаления железного сердечника типа C и перемотки его повторно, спецификация железного сердечника-CD12 мм x 20 мм x 40 мм.
Параметры трансформатора:
Вход: 0 ~ 220 В.
Выход: 22 в 0,15 А, 22 в 0,15 А, независимые две группы четырехпроводного выхода.
Подходит для поддержки источников питания, таких как Транзисторные цепочки переднего конца, цепи операционного усилителя и цепи двойного напряжения источника питания.
Особенности: этот линейный силовой трансформатор типа C для аудио использует плотно соединенный метод намотки. Процесс первичного зажима-вторичного зажима (процесс 2 + 1). Две упаковки проводов слева и справа от трансформатора абсолютно одинаковы, медное сопротивление одинаковое, а напряжение одинаковое. По сравнению с обычными силовыми трансформаторами, эффект намного лучше, Звук Прозрачный, текстура полная, а звуковое поле широкое и воздушное.
Оригинальное фиксированное сиденье-кольцо, Высококачественная бескислородная медная эмалированная проволока, вертикальная фиксация, вес 0,37 кг.
Соберите Железный сердечник с тем же номером, удалите изоляционную краску с поверхности интерфейса и отполируйте ее снова, чтобы она была яркой как зеркало. Ремешок из нержавеющей стали сильно зафиксирован, а раневой трансформатор подключен к сети 220 В, тихий и без вибрации.
Приблизительный размер трансформатора: высота 76 мм x 53 мм x 41 мм
Приблизительный размер основания: 52 мм x 41 мм
Другие спецификации силовых трансформаторов, дросселей и Выходные Трансформаторы также могут быть намотаны по мере необходимости.

my height = 183 cm, weight = 93 kg, shoulders = 51 cm, sleeve length = 64 cm. What size... Читать отзыв полностью...