Сохраните в закладки:
*История изменения цены! Указанная стоимость возможно, уже изменилось. Проверить текущую цену - >
| Месяц | Минимальная цена | Макс. стоимость | Цена |
|---|---|---|---|
| Feb-18-2026 | 88282.82 руб. | 90048.7 руб. | 89165 руб. |
| Jan-18-2026 | 71598.3 руб. | 73030.39 руб. | 72314 руб. |
| Dec-18-2025 | 86891.71 руб. | 88629.4 руб. | 87760 руб. |
| Nov-18-2025 | 86196.19 руб. | 87920.25 руб. | 87058 руб. |
| Oct-18-2025 | 68818.27 руб. | 70194.91 руб. | 69506 руб. |
| Sep-18-2025 | 84806.23 руб. | 86502.41 руб. | 85654 руб. |
| Aug-18-2025 | 84111.7 руб. | 85793.9 руб. | 84952 руб. |
| Jul-18-2025 | 83416.17 руб. | 85084.74 руб. | 84250 руб. |
Новые товары
Характеристики
Описание товара
Delivery to Moskva g
21 Jul - 17 386,08 ₽Delivery to a Post office
15 Jul - 17 386,08 ₽Self-pickup
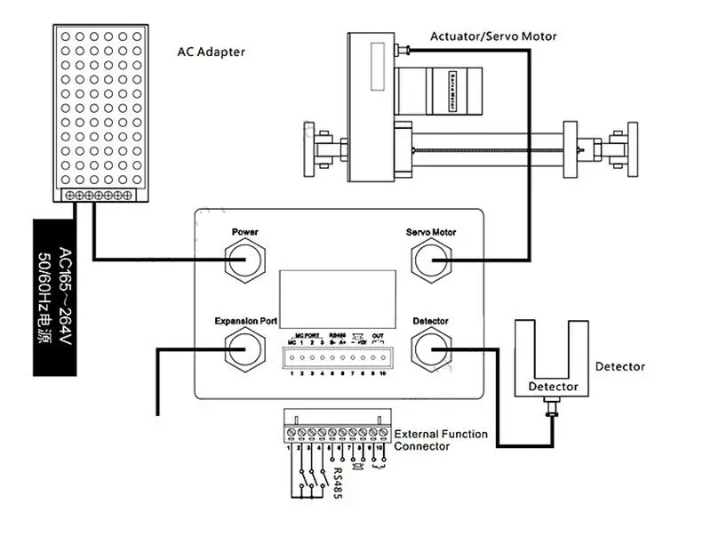
90-Day Buyer ProtectionDescriptionDescription: Servo web guide Controller EPC-A10 adopts the high-speed 32-bit CPU drive DC servo driver and no-overshot integral variable PI adjustable algorithm. It is of high deviation rectification and fast reaction. In addition, it supports three operation modes: the edge-following, line-following and centre-alignment mode Feature: 1. Support three operation modes: edge-following, line-following and center-alignment. 2. Support photoelectric sensor, ultrasonic transducer and CCD Sensor 3. Detect sensor’s parameters intelligently, no need to correct the sensor under most circumstances 4. Automatic travel measurement, no need to limit the switch mechanically. 5. No overshot integral variable PI algorithm, high accuracy, fast reaction and less error. 6. 0.5msec super-speed of responding 7. Analog quantity transducer signal 12bit AD sampling, 700,000 times of sampling per second 8. Adopt FIR digital filter and return difference filter, stronger anti-interference capability and more stable signal 9. DC servo motor to push the ball screw 10.Power-down memory of all the parameters at any states in the system 11.Store 10 groups of parameters from different material, convenient and efficient switchover of material 12.Simplified Chinese/ Traditional Chinese /English for menu operation 13.Humanized operation, fast, simple and convenient 14.Support Modbus and PLC/Human-computer networking control Specification: Correction controller: Model No: EPC-A10 Control Method: DC Servo Driver Power: DC 24V /5A Control Input: DC 0~5A Control output: 24V, PWM Response time: 0.5 ms Environment temperature: -10~60C, below RH90% Weight: 1.2 kg Sensor: Color sensor: US-400S Power supply: DC-12V Power Output :DC 0-5V Detective range : 5mm Detective accuracy: 0.1mm Detector methods: Ultrasonic exposure Frequency : 100KHZ Shell material :Aluminum alloy Servo Actuator: Model No: PD-204L150 Max thrust :2000N Driving load:2000KG Stroke range: 150mm (+-75mm) Max Driving Speed: 40mm/s Application: Textile machinery: fiber twisters, treatment machines, weaving machines Metal fishing systems: extruders, wire stretchers, presses, welders, steel wire retractors, cutters, pipe makers, wire winding machines Machine tool systems: lathes, Millers, steel extruders, CNC lathes, specialized machinery Transportation equipment: hoists, feeders, conveyors, rollers, winders Paper- making systems: bag-making machines, box-making machines, slitters, book-making machinery, cutters, copy paper machines
Эту хорошенькую мышку я покупала себе в подарок, обожаю небольшие вот такие игрушки. Мышка правда немножко похожа на кролика, но... Читать отзыв полностью...
Добрый день! Купили камеру для дома, живём в частном секторе! Взяли на пробу 1шт. Доставка пришла во время, упаковано герметично,... Читать отзыв полностью...
Уважаемые покупатели, никогда не покупайте у этого продавца. Продавцом предлогается возврат по любой причине в течении 15 дней. Это обман!... Читать отзыв полностью...
Очень долго искала такую полку,что бы была компактная,удобная ,и все помещалось,а главное смотрелась и вписывалась бы в интерьер кухни!!! И... Читать отзыв полностью...
my height = 183 cm, weight = 93 kg, shoulders = 51 cm, sleeve length = 64 cm. What size... Читать отзыв полностью...
Понравился дизайн свитера, решила заказать, товар пришел быстро, цвет и размер подошёл. Все как на фото. Доставка не дала долго... Читать отзыв полностью...




Решила приобрести это замечательное платье себе в подарок на Новый Год. Заказывала черно-розовый цвет. Платье отличное, размер идеально подошел, и... Читать отзыв полностью...