Сохраните в закладки:
*История изменения цены! Указанная стоимость возможно, уже изменилось. Проверить текущую цену - >
| Месяц | Минимальная цена | Макс. стоимость | Цена |
|---|---|---|---|
| Feb-19-2026 | 8310.21 руб. | 8476.41 руб. | 8393 руб. |
| Jan-19-2026 | 6739.69 руб. | 6874.39 руб. | 6806.5 руб. |
| Dec-19-2025 | 8179.18 руб. | 8343.21 руб. | 8261 руб. |
| Nov-19-2025 | 8113.57 руб. | 8275.75 руб. | 8194 руб. |
| Oct-19-2025 | 6478.52 руб. | 6608.44 руб. | 6543 руб. |
| Sep-19-2025 | 7982.89 руб. | 8142.50 руб. | 8062 руб. |
| Aug-19-2025 | 7917.0 руб. | 8075.9 руб. | 7996 руб. |
| Jul-19-2025 | 7852.78 руб. | 8009.52 руб. | 7930.5 руб. |
Новые товары
Характеристики
Описание товара
200 Вт Серводвигатель высокой мощности видео: (Запуск супер гладкий, супер тихий)
Http://v.youku.com/v_show/id_XMTg1NDQ1MjkyMA==.html
Демонстрационная схема работы серводвигателя мощностью 200 Вт

Бортовой ресурс
Чистая Синусоидальная волна FOC начальный процесс
Схема синхронизации постоянного магнита с синусоидальной волной типа тока
Ток-тип FOC Синусоидальная волна постоянный магнит синхронизация демонстрационное видео:
Http://v.youku.com/v_show/id_XMTczMTY0MjIyNA==.html
MPLAB X IDE плагин DMCI мониторинг формы волны
MPLAB X IDE плагин DMCI верхний компьютерный мониторинг
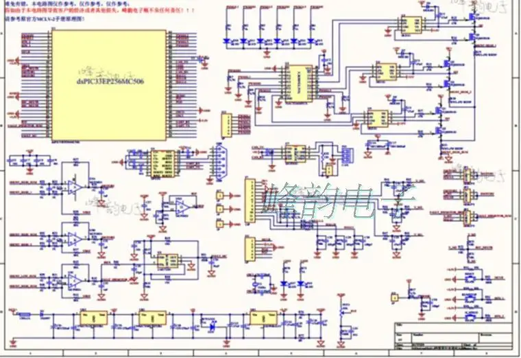
Монтажная схема
Attach1:
Attach2 (оригинальное издание):
Подробные примеры кода языка C
Соответствующая учебная информация и материалы

Отгрузочная ведомость
DsPICDEM MCLV_2 PMSM макетная плата x1(Мотор приобретается отдельно)
Решила приобрести это замечательное платье себе в подарок на Новый Год. Заказывала черно-розовый цвет. Платье отличное, размер идеально подошел, и... Читать отзыв полностью...
Отзыв о магазине professional-laptop-parts-supplier- fqparts- Store (Рейтинг 73.68%) https://aliexpress.ru/item/40009079 69596.html Заказал клавиатуру для ноутбука Clevo P775TM1-G, которая по заявлению... Читать отзыв полностью...
Планшет бмах11про просто пушка за эти деньги...... Читать отзыв полностью...
Why is the GK DRAW A3 Pro graph builder unavailable for purchase in Russia?... Читать отзыв полностью...
Давно искала такие стульчики. Долго присматривалась. Взяла четыре и не пожалела. Очень удобно: когда надо ставишь за стол, если не... Читать отзыв полностью...
ЖЕНСКИЙ БРАСЛЕТ ЛУЧШИЕ ДРУЗЬЯ КОЖАНЫЙ способ оплаты какой доставки... Читать отзыв полностью...