Сохраните в закладки:
*История изменения цены! Указанная стоимость возможно, уже изменилось. Проверить текущую цену - >
| Месяц | Минимальная цена | Макс. стоимость | Цена |
|---|---|---|---|
| Feb-18-2026 | 81876.39 руб. | 83514.69 руб. | 82695 руб. |
| Jan-18-2026 | 66403.99 руб. | 67731.33 руб. | 67067 руб. |
| Dec-18-2025 | 80586.7 руб. | 82198.73 руб. | 81392 руб. |
| Nov-18-2025 | 79942.6 руб. | 81541.99 руб. | 80741.5 руб. |
| Oct-18-2025 | 63824.88 руб. | 65100.29 руб. | 64462 руб. |
| Sep-18-2025 | 78652.34 руб. | 80225.19 руб. | 79438.5 руб. |
| Aug-18-2025 | 78007.40 руб. | 79567.15 руб. | 78787 руб. |
| Jul-18-2025 | 77363.70 руб. | 78910.88 руб. | 78136.5 руб. |
Новые товары
Характеристики
Описание товара
Добро пожаловать в Lixinsheng PУпаковка оборудование для магазина
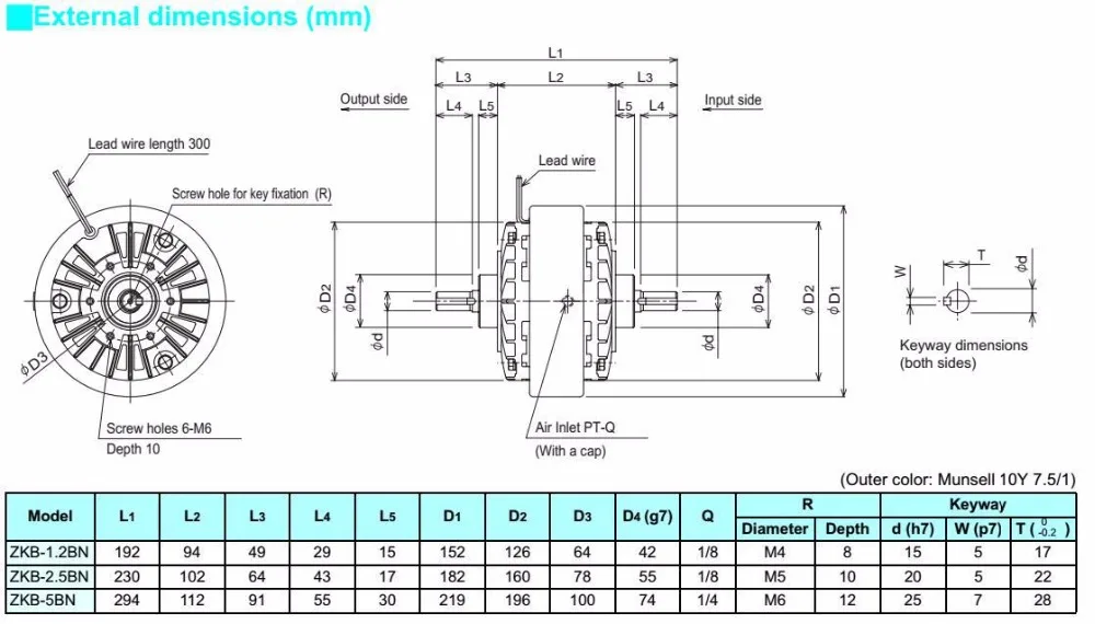
Япония ZKB-2.5BN электромагнитного порошка сцепления Тип вала порошка сцепления для промышленного
Zkb-bn-Тип магнитная муфта порошка
> Особенности
Номинальный крутящий момент: от 12 до 400 (Н · м)
Самопроизвольное охлаждение/воздушное охлаждение типа твердого вала.
1. Работоспособность от 5 об/мин
2. Увеличьте теплоспособность воздухом, вдуваемым в воздушный зазор
> Описание
Магнитная муфта основана на электромагнитной теорие и использовании передачи магнитного крутящего момента. Его захватывающий ток и передача крутящего момента с линейной связью между основными характеристиками. Не имеет ничего общего с скользящим чехол, чтобы пройти определенный крутящий момент, с быстрой реакцией, простой структурой, без загрязнения, без шума, без ударов и вибрации энергосберегающие преимущества. Это многофункциональное, превосходное представление, автоматическое управление устройствами. Магнитная муфта широко используется для пуска буфера, защиты от перегрузки, регулирования скорости, контроля натяжения в системе намотки.
> Параметры
Модель
Номинальный крутящий момент
(Н · м)
Катушка (75 ℃)
Момент инерции
(Kgm & sup; 2;)
Давление ветра
(Pa)
Объем воздуха
(M & sup; 2;/мин)
Мощность
(Вт)
Вес
(Кг)
Макс. Разрешенной скорости
(Об/мин)
Магнитный
Частицы
Вес (г)
Ток (А)
Мощность
(Вт)
Постоянной времени
(S)
Вход вал
Выход вал
ZKB-1.2BN
12
0,94
22,5
0,10
1,34 × 10 ^ (-3)
4,90 × 10 ^ (-4)
3×10 ^ (4)
0,2
250
5,5
1800
20
ZKB-2.5BN
20
1,24
30,0
0,12
3,80 × 10 ^ (-3)
1,49 × 10 ^ (-3)
5×10 ^ (4)
0,4
380
10
1800
33
ZKB-5BN
50
2,15
51,5
0,13
9,50 × 10 ^ (-3)
4,80 × 10 ^ (-3)
1×10 ^ (5)
0,6
700
16
1800
60
ZKB-10BN
100
2,40
57,6
0,25
3,50 × 10 ^ (-2)
2,50 × 10 ^ (-2)
6×10 ^ (4)
1,1
1100
37
1800
140
ZKB-20BN
200
2,70
64,8
0,37
9,15 × 10 ^ (-2)
6,89 × 10 ^ (-2)
5×10 ^ (4)
1,6
1900
59
1800
225
ZKB-40BN
400
3,5
84,0
0,40
2,40 × 10 ^ (-1)
2,20 × 10 ^ (-1)
2×10 ^ (5)
2,0
2800
108
1800
370
> Применение:
Печатные машины, бумажная промышленность Машины, сумки-машины, бумажные машины, проволочные и кабельные машины, катушки машины, проволочные машины, обвязочные сумки машины, текстильные машины, ткачество-мерные машины, деревообрабатывающее оборудование, испытательное оборудование, аналоговое использование нагрузки, виды механического точного контроля натяжения, Общее Промышленное оборудование, другое Общее Промышленное оборудование.




Больше товаров, пожалуйста, нажмите здесь:Lixinsheng Packing Equipment Co., Ltd Store
Так как ниже приведена таблица других спецификаций, пожалуйста, выберите подходящий стандарт.

Продавец MOM PREFERRED STORE (Электронная продукция) - это не добросовестный продавец. Заказывал здесь планшет, мне прислали другой планшет, намного хуже.... Читать отзыв полностью...
Покупала этот прекрасный свитер себе на зиму. Мне очень понравился. Удобный и свободный, как я и люблю, да и в... Читать отзыв полностью...
Магазин дурит покупателей, не советую связываться. ... Читать отзыв полностью...
Why is the GK DRAW A3 Pro graph builder unavailable for purchase in Russia?... Читать отзыв полностью...
Ужасный магазин, подумайте 100раз прежде чем покупать у них, через алиэкспресс. Чётко написано вернём товар по любой причине в течении... Читать отзыв полностью...
Отзыв о магазине professional-laptop-parts-supplier- fqparts- Store (Рейтинг 73.68%) https://aliexpress.ru/item/40009079 69596.html Заказал клавиатуру для ноутбука Clevo P775TM1-G, которая по заявлению... Читать отзыв полностью...
Замечательный набор скатерть и чехлы на стулья заказывала здесь некоторое время назад. И вот хочу сказать что в быту они... Читать отзыв полностью...